Diodes Incorporated — Analog and discrete power solutions
SC59

Image shown is for reference only. Actual package may vary. Refer to the product data sheet for package details. SC59

SIP 3 3D image

Image shown is for reference only. Actual package may vary. Refer to the product data sheet for package details. SIP-3 (Bulk)

SOT23

Image shown is for reference only. Actual package may vary. Refer to the product data sheet for package details. SOT23

Back to AH3712Q

AH3712Q

27V Open-Drain Hall Effect Latch

Contact Sales

Log in or register to manage email notifications about changes to datasheets or PCNs for this part.

Description

The DIODES™ AH3712Q is an AEC-Q100 qualified, high-voltage, high-sensitivity, Hall-effect latch IC designed for commutation of brushless DC motors and their speed measurements, angular or linear encoders, and position sensors in automotive applications. To support a wide range of demanding applications, the device is optimized to operate over a 3.0V to 27V supply range. With chopper stabilized architecture and an internal bandgap regulator to provide temperature-compensated supply for internal circuits, the AH3712Q provides a reliable solution over the whole operating range. The device has a reverse blocking diode with Zener clamps on the supply and output, which also has an overcurrent limit.

The single, open-drain output can be switched on with a South pole of sufficient strength and switched off with a North pole of sufficient strength. When the magnetic flux density (B) perpendicular to the package is larger than the operate point (BOP), the output is switched on (pulled low). The output is held and latched until magnetic-flux density reverses and becomes lower than the release point (BRP).

The SOT23 and SC59 packages have opposite magnetic operating and release polarity. The SOT23, SIP-3 (Bulk), and U-DFN2020-6/SWP packages require their south pole on the part-marking side while the SC59 requires its south pole to the non-part-marking side.

Feature(s)

  • Bipolar Latch (South Pole: On, North Pole: Off)
  • 0V to 27V Operating Voltage Range
  • High Sensitivity: BOP and BRP of ±25G Typical
  • Resistant to Physical Stress
  • Single, Open-Drain Output AH3712Q or Internal Pull-Up AH3712AQ (*Future product)
  • Output with Overcurrent Limit
  • Chopper-Stabilized Design Provides
    • Superior Temperature Stability
    • Minimal Switch-Point Drift
    • Enhanced Immunity to Stress
  • Good RF Noise Immunity
  • Reverse-Blocking Diode and Zener Clamp on Supply
  • -40°C to +150°C Operating Temperature
  • ESD HBM: 8kV, CDM: 1kV
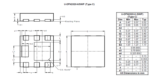
  • Industry-Standard SC59, SOT23, SIP-3, and U-DFN2020-6/SWP Packages
  • Totally Lead-Free & Fully RoHS Compliant (Notes 1 & 2)
  • Halogen and Antimony Free. “Green” Device (Note 3)
  • The DIODES™ AH3712Q is suitable for automotive applications requiring specific change control; this part is AEC-Q100 qualified, PPAP capable, and manufactured in IATF16949 certified facilities. https://www.diodes.com/quality/product-definitions/

Application(s)

  • Brushless DC motor commutation
  • Revolutions per minute (RPM) measurements
  • Flow meters
  • Angular and linear encoders and position sensors
  • Contactless commutation, speed measurements, and angular position sensing/indexing in automotive applications

Specifications & Technical Documents

Product Parameters

Compliance (Only Automotive Supports PPAP)

Automotive

Operating Ambient Temperature (°C)

-40 to 150

AEC Qualified

Yes

Type

Latch

Outputs

Single

Output Type

Open Drain

Active Output State (B > Bop)

Low

Inactive Output State (B < Brp)

High-Z

Key Feature

Resistant to Physical Stress

Operating Voltage (V)

3 to 27

Average Supply Current (mA)

2.8

Min Operating Point Bop (Bops +ve/ Bopn -ve) (Gauss)

10

Typ Operating Point Bop (Bops +ve/ Bopn -ve) (Gauss)

25

Max Operating Point Bop (Bops +ve/ Bopn -ve) (Gauss)

40

Min Release Point Brp (Brps +ve/ Brpn -ve) (Gauss)

-40

Typ Release Point Brp (Brps +ve/ Brpn -ve) (Gauss)

-25

Max Release Point Brp (Brps +ve/ Brpn -ve) (Gauss)

-10

Output Current Capability (mA)

50

Technical Documents

Recommended Soldering Techniques

TN1.pdf

Purchase & Availability

Something went wrong with your request. Please try again later. If this problem continues, please contact Diodes support for assistance.

Product Change Notices (PCNs)

A PCN may only apply to specific orderable part numbers in this datasheet. Please refer to the corresponding PCN to see the exact orderable part number(s) affected.

PCN # Issue Date Implementation Date Subject
PCN-2770 2025-10-30 2025-10-30 Add Fab Site Code, Country of Diffusion (COD) and Assembly Site Origin (ASO) on Product and Shipping Labels for all Diodes Products