Diodes Incorporated — Analog and discrete power solutions
Back to Inactive Datasheet Archive

SDT05U30CP3 (NRND)

NRND = Not Recommended for New Design

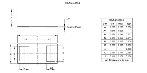
0.5A TRENCH SCHOTTKY BARRIER RECTIFIER CHIP SCALE

Contact Sales

Log in or register to manage email notifications about changes to datasheets or PCNs for this part.

Description

The SDT05U30CP3 is a 30-volt 0.5A trench Schottky barrier rectifier that is optimized for low-forward voltage drop and low-leakage current, housed in a compact chip-scale package (CSP) that occupies only 0.18mm2 board space with low profile. The low thermal resistance enables designers to meet design challenges of increasing efficiency whilst at the same time reducing board space. The SDT05U30CP3 are ideally suited for use in portable applications as: blocking diodes, boost diodes, switching diodes, and reverse protection diodes.

Feature(s)

  • Low-forward voltage (VF) minimizes conduction losses and improves efficiency.
  • Low Leakage-Maximizes Battery Power
  • Reduced high-temperature reverse leakage; Increased reliability against thermal runaway failure in high-temperature operation.
  • Totally Lead-Free & Fully RoHS Compliant (Notes 1 & 2)
  • Halogen and Antimony Free. “Green” Device (Note 3)
  • For automotive applications requiring specific change control (i.e. parts qualified to AEC-Q100/101/104/200, PPAP capable, and manufactured in IATF 16949 certified facilities), please contact us or your local Diodes representative. https://www.diodes.com/quality/product-definitions/

Application(s)

  • Blocking diodes
  • Boost diodes
  • Switching diodes
  • Reverse protection diodes

Specifications & Technical Documents

Product Parameters

@ IF (A)

0.5

@ IF (A)

0.5

@ VR (V)

30

@ VR (V)

30

AEC Qualified

No

Compliance (Only Automotive Supports PPAP)

Standard

Configuration

Single

Forward VoltageDrop VF(V)

0.55

MaximumAverageRectifiedCurrent IO (A)

0.5

Maximum Average Rectified Current IO (A)

0.5

Maximum ReverseCurrent IR (µA)

9

Maximum Reverse Current IR (μA)

9

Peak ForwardSurge CurrentIFSM(A)

7

Peak Forward Surge Current IFSM (A)

7

Peak RepetitiveReverse VoltageVRRM (V)

30

Peak Repetitive Reverse Voltage VRRM (V)

30

Product Type

Schottky Barrier Rectifier

AEC Qualified

No

TotalCapacitance CT (pF)

18.8

Total Capacitance CT (pF)

18.8

Related Content

Packages

Technical Documents

Recommended Soldering Techniques

TN1.pdf

Purchase & Availability

Something went wrong with your request. Please try again later. If this problem continues, please contact Diodes support for assistance.

Product Change Notices (PCNs)

A PCN may only apply to specific orderable part numbers in this datasheet. Please refer to the corresponding PCN to see the exact orderable part number(s) affected.

PCN # Issue Date Implementation Date Subject
PCN-2770 2025-10-30 2025-10-30 Add Fab Site Code, Country of Diffusion (COD) and Assembly Site Origin (ASO) on Product and Shipping Labels for all Diodes Products