Diodes Incorporated — Analog and discrete power solutions
Back to BC817-40FHWQ

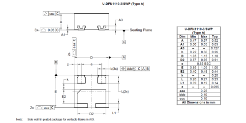
BC817-40FHWQ

NPN, 45V, 0.5A, DFN1110-3

Contact Sales

Log in or register to manage email notifications about changes to datasheets or PCNs for this part.

Description

The BC817-40FHWQ bipolar junction transistor (BJT) is designed to meet the stringent requirements of automotive applications.

Feature(s)

  • BVCEO > 45V
  • IC = 500mA High Continuous Collector Current
  • Low-Profile, 0.6mm-High Package for Thin Applications
  • Sidewall Tin Plating for Wettable Flanks in AOI
  • Totally Lead-Free & Fully RoHS Compliant (Notes 1 & 2)
  • Halogen and Antimony Free. “Green” Device (Note 3)
  • The BC817-40FHWQ is suitable for automotive applications requiring specific change control; this part is AEC-Q101 qualified, PPAP capable, and manufactured in IATF16949 certified facilities. https://www.diodes.com/quality/product-definitions/

Application(s)

  • Switching and amplification  

Specifications & Technical Documents

Product Parameters

Compliance (Only Automotive Supports PPAP)

Automotive

Category

Small Signal Transistor

Polarity

NPN

VCEO, VCES (V)

45

IC (A)

0.5

ICM (A)

1

PD (W)

0.5

hFE (Min)

250

hFE (@ IC) (A)

0.1

hFE(Min 2)

40

hFE (@ IC2) (A)

0.5

VCE(sat) Max (mV)

700

VCE(SAT) (@ IC/IB) (A/mA)

0.5/50

fT (MHz)

100

Spice Model

BC817-40FHW.spice.txt

Related Content

Packages

Technical Documents

Recommended Soldering Techniques

TN1.pdf

Purchase & Availability

Something went wrong with your request. Please try again later. If this problem continues, please contact Diodes support for assistance.

Product Change Notices (PCNs)

A PCN may only apply to specific orderable part numbers in this datasheet. Please refer to the corresponding PCN to see the exact orderable part number(s) affected.

PCN # Issue Date Implementation Date Subject
PCN-2770 2025-10-30 2025-10-30 Add Fab Site Code, Country of Diffusion (COD) and Assembly Site Origin (ASO) on Product and Shipping Labels for all Diodes Products