Diodes Incorporated — Analog and discrete power solutions
Back to AP7372

AP7372

Low-Noise, 20V, 200mA ULDO Regulator

Contact Sales

Log in or register to manage email notifications about changes to datasheets or PCNs for this part.

Description

The AP7372 is a low-dropout linear regulator that operates from 2.7V to 20V and delivers 200mA output current. The wide input voltage LDO is suitable for the regulation of high-performance analog and mixed-signal circuits operating from 19.5V to 1.2V rails.

The AP7372 features high power supply rejection, low noise, and achieves excellent line and load transient response with a small 2.2μF ceramic output capacitor. The output noise is 8μVrms, independent of the output voltage for the fixed options of 5V or less.

The AP7372 has 1.8V, 2.5V, 3.3V and 5.0V fixed output voltage. Each fixed output voltage can be adjusted above the initial set point with an external feedback divider. This allows the AP7372 to provide an output voltage from 1.2V to VIIN – VDO with high PSRR and low noise.

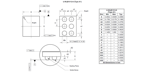
A programmable soft-start with an external capacitor is available in the AP7372. The AP7372 is available in U-WLB1012-6 (Type A1) package.

Feature(s)

  • Low Noise: 8μVrms Independent of Fixed Output Voltage
  • High PSRR: 90dB @10kHz, 70dB @100kHz, 52dB @1MHz
  • Input Voltage Range: 2.7V to 20V
  • Maximum Output Current: 200mA
  • High Output Voltage Accuracy: ±0.8%
  • Accuracy over Line, Load, and Temperature ±1.8%, TJ = -40°C to +125°C
  • Low Dropout Voltage: 120mV @IOUT = 200mA (typ)
  • User-Programmable Soft-Start
  • Low Quiescent Current, IGND: 66μA (typ)
  • Low Shutdown Current:
    • 1μA @VIN = 5V
    • 3μA @VIN = 20V
  • Stable with a 2.2μF Ceramic Output Capacitor
  • Adjustable Output from 1.2V to VIN – VDO, output can be adjusted above initial set point
  • Totally Lead-Free & Fully RoHS Compliant (Notes 1 & 2)
  • Halogen and Antimony Free. “Green” Device (Note 3)
  • For automotive applications requiring specific change control (i.e. parts qualified to AEC-Q100/101/104/200, PPAP capable, and manufactured in IATF 16949 certified facilities), please contact us or your local Diodes representative. https://www.diodes.com/quality/product-definitions/

Application(s)

  • Regulation to noise sensitive applications
    • ADC and DAC circuits, precision amplifiers, power for VCO VTUNE controls
  • Communications and infrastructures
  • Medical and healthcare
  • Industrials and instrumentation

Specifications & Technical Documents

Product Parameters

Iq (typ) (µA)

66

Iq (max) (µA)

110

Operating Ambient Temperature (°C)

-40 to 85

AEC Qualified

No

Compliance (Only Automotive Supports PPAP)

Standard

Type

LDO

Output options

Adjustable & Fixed

Iout (A)

0.2

Vin (Max) (V)

20

Vin (Min) (V)

2.7

Vout (min)

1.2

Vout (max)

19.72

Fixed Vout (V)

1.2, 1.8, 2.5, 3.3, 5

Adjustable VFB (V)

1.2

Accuracy 25C

0.8

Noise uV RMS 10-100 kHz

8

VDROPOUT (Max) (V) at Max Current and Max Ouput Voltage

0.28

PSRR (dB) 1kHz

90

Enable Active

Yes (High)

Channels

1

Output Discharge

No

Power Good

No

Reverse Protection

No

VCTL Function

No

Related Content

Packages

Technical Documents

Recommended Soldering Techniques

TN1.pdf

Purchase & Availability

Something went wrong with your request. Please try again later. If this problem continues, please contact Diodes support for assistance.

Product Change Notices (PCNs)

A PCN may only apply to specific orderable part numbers in this datasheet. Please refer to the corresponding PCN to see the exact orderable part number(s) affected.

PCN # Issue Date Implementation Date Subject
PCN-2770 2025-10-30 2025-10-30 Add Fab Site Code, Country of Diffusion (COD) and Assembly Site Origin (ASO) on Product and Shipping Labels for all Diodes Products