Diodes Incorporated — Analog and discrete power solutions
Back to AP53781

AP53781

USB PD DUAL-ROLE POWER (DRP) CONTROLLER

Evaluation Board User Guides
Contact Sales

Log in or register to manage email notifications about changes to datasheets or PCNs for this part.

Overview

Description

The AP53781 is a highly integrated USB Type-C ® PD3.2 Dual-Role Power (DRP) controller to support Extended Power Range (EPR)/ Adjustable Voltage Supply (AVS) up to 28V and Standard Power Range (SPR) up to 21V.

The AP53781 can act as a power consumer by requesting power from a PD3.1 compliant adaptor and can also act as a power provider to supply a Type-C connector-equipped device (TCD).

The AP53781 could consume as low as 50µA during the power-down mode. The AP53781 is operating in a system without an MCU. To be a power consumer, its desired Request Data Object (RDO) can be selected by the correspondence resistance values on the VSEL and ISEL pins for target voltage and current, respectively. To be a power provider, its Power Data Object (PDO) capability can be selected from a predetermined 8 power profiles by a suitable resistance on the PDOSEL pin.

Meanwhile, the AP53781 integrates Rp/Rd termination resistors and switches for DRP control. It has QC2.0/3.0 functions and dead-battery mode during the sink role. Also, the VFB feedback control for external DC/DC controller is provided during the source role. The AP53781 operates from 3.6V up to 28V with low-side current sense topology.

The AP53781 offers short protection between Configuration Channel (CC1/CC2) pins to adjacent high-voltage pin up to 34V. The built-in firmware of the AP53781 offers comprehensive safety protection schemes, including overvoltage protection (OVP), undervoltage protection (UVP), and overcurrent protection (OCP).  

Feature(s)

  • USB PD3.1 v1.8 Certified with TID: 11689
  • Support Autonomous DRP Control
  • Support EPR/AVS up to 28V with 100mV/Step
  • Support SPR up to 21V
  • Power-Down Consumption as Low as 50µA
  • Source PDO Capability Selected Through External Resistor Setting
  • Sink RDO Voltage/Current Selected Through External Resistors Settings
  • Support QC2.0/3.0 Either for Sink or Source Role
  • Support Gate Drivers for nMOS VBUS Power Switch
  • Support Analog VFB Feedback for External DC/DC
  • Operating Voltage 3.6V to 28V with Low-Side Current Sense
  • Support VBUS and VOUT Discharge Paths
  • Support Dead-Battery Mode
  • Support OVP/UVP/OCP with Auto Restart
  • VBUS Short Protection on CC1/CC2 Pins up to 34V
  • VBUS Short Protection on DP/DN Pins up to 24V
  • Totally Lead-Free & Fully RoHS Compliant (Notes 1 & 2)
  • Halogen and Antimony Free. “Green” Device (Note 3)
  • For automotive applications requiring specific change control (i.e. parts qualified to AEC-Q100/101/104/200, PPAP capable, and manufactured in IATF 16949 certified facilities), please contact us or your local Diodes representative. https://www.diodes.com/quality/product-definitions/

Application(s)

  • Power banks
  • Power tools
  • Wireless speakers
  • E-bikes
  • POS terminals
  • Portable displays

Specifications & Technical Documents

Product Parameters

Compliance (Only Automotive Supports PPAP)

Standard

Protocols Supported

USB PD3.1

Power Role

DRP (Dual-Role Port) Sink and Source

I2C Support

No

SR Controller Embedded

No

VBUS MOS Embedded

No

VCC Maximum Rating

34

VCC UVLO (V)

2.7

Related Content

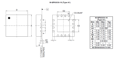
Packages

Technical Documents

Evaluation Board User Guides

Recommended Soldering Techniques

TN1.pdf

Purchase & Availability

Something went wrong with your request. Please try again later. If this problem continues, please contact Diodes support for assistance.

Product Change Notices (PCNs)

A PCN may only apply to specific orderable part numbers in this datasheet. Please refer to the corresponding PCN to see the exact orderable part number(s) affected.

PCN # Issue Date Implementation Date Subject
PCN-2770 2025-10-30 2025-10-30 Add Fab Site Code, Country of Diffusion (COD) and Assembly Site Origin (ASO) on Product and Shipping Labels for all Diodes Products