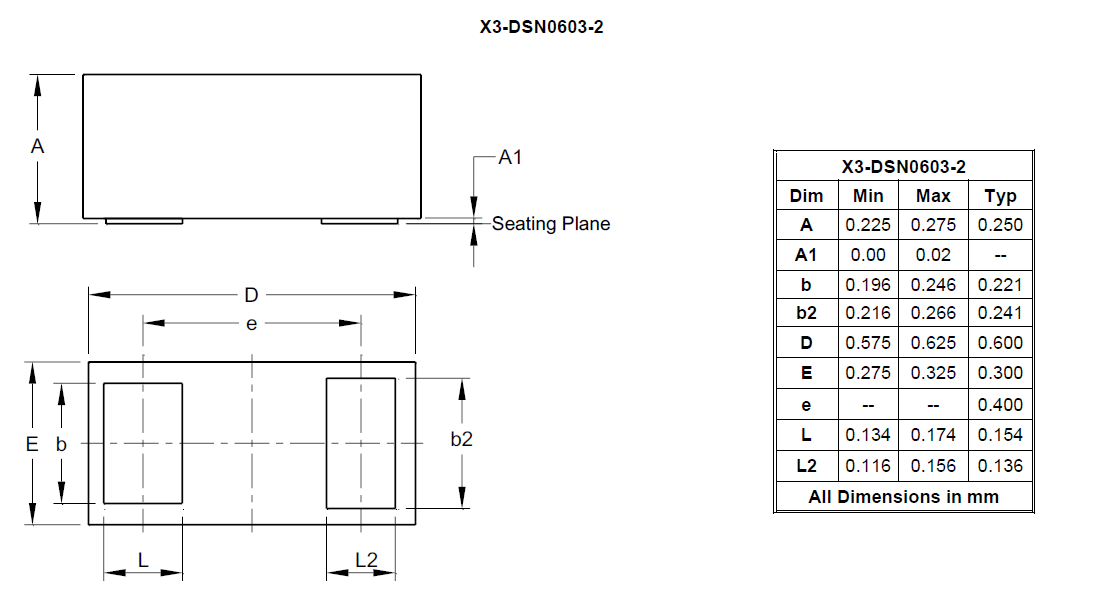
Package: X3-DSN0603-2

X3 DSN0603 2
NameX3-DSN0603-2
Package File X3-DSN0603-2.pdf
STEP File X3-DSN0603-2_stp.stp
Products using this package

Parts Icon SDT05U30CP3