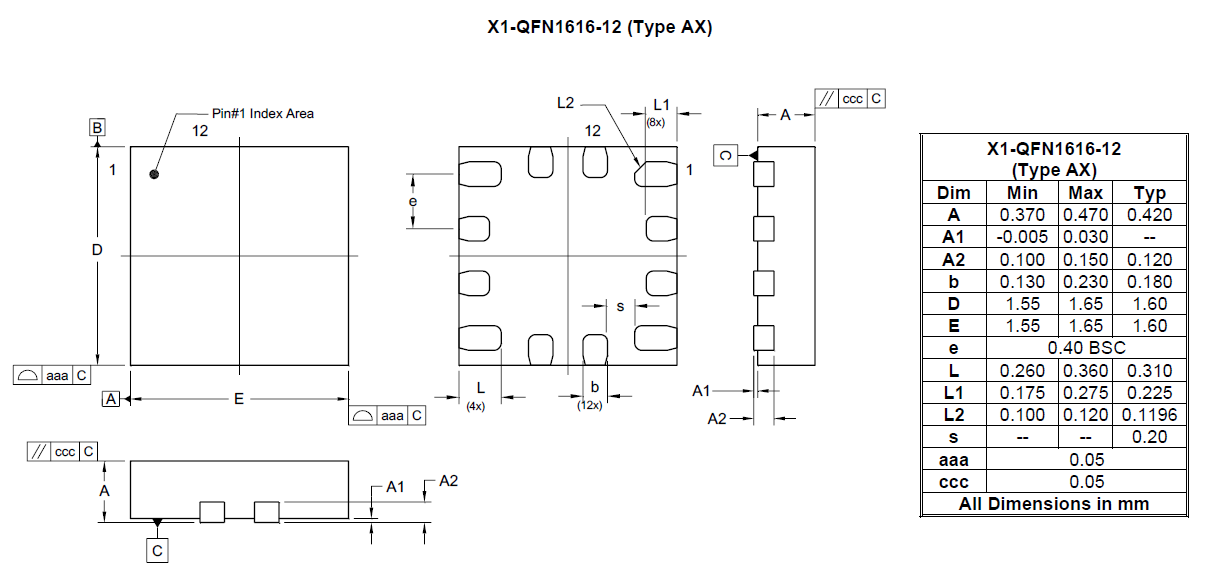
Package: X1-QFN1616-12 (Type AX)

X1 QFN1616 12 (Type AX) image
NameX1-QFN1616-12 (Type AX)
Package File X1-QFN1616-12-Type-AX.pdf
STEP File X1-QFN1616-12-Type-AX_stp.stp