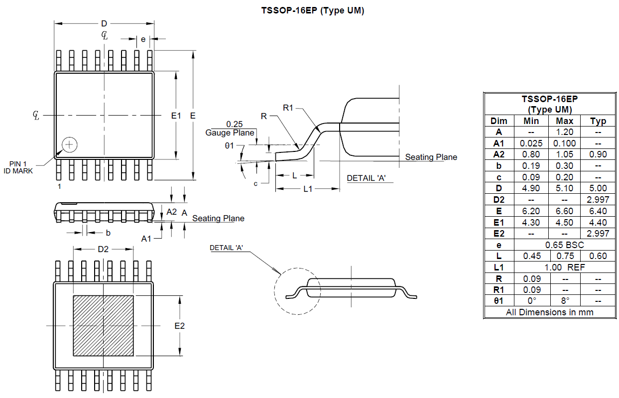
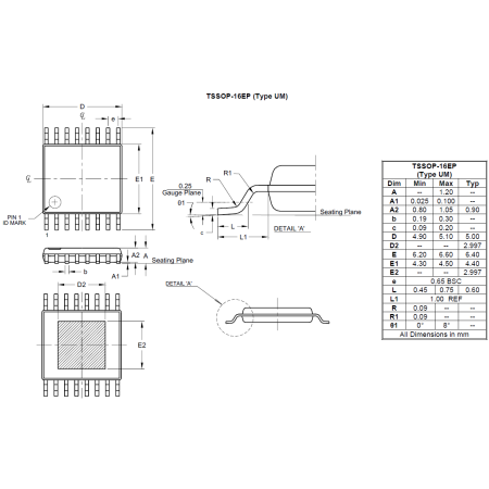
Package: TSSOP-16EP (Type UM)

TSSOP 16EP (Type UM) image
NameTSSOP-16EP (Type UM)
Package File TSSOP-16EP-Type-UM.pdf
STEP File TSSOP-16EP-Type-UM_stp.stp