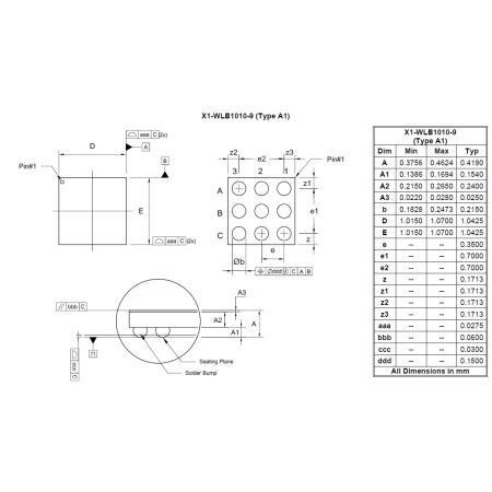
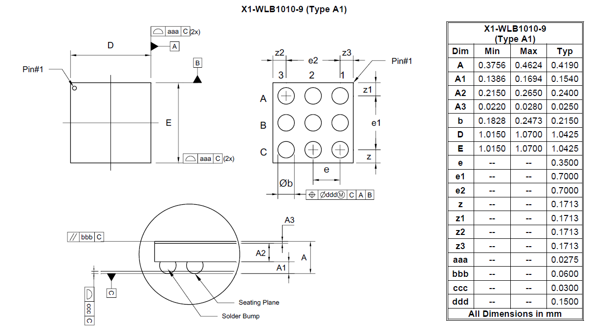
Package: X1-WLB1010-9 (Type A1)

X1 WLB1010 9 (Type A1) image
NameX1-WLB1010-9 (Type A1)
Package File X1-WLB1010-9-Type-A1.pdf
STEP File X1-WLB1010-9_Type-A1.stp