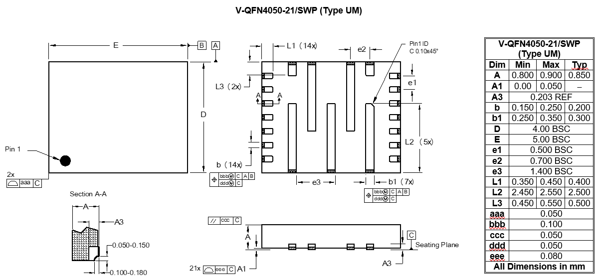
Package: V-QFN4050-21/SWP (Type UM)

V QFN4050 21 SWP (Type UM) image
NameV-QFN4050-21/SWP (Type UM)
Package File V-QFN4050-21_SWP-Type-UM.pdf
STEP File V-QFN4050-21_SWP_Type-UM-stp.stp